Unité de Puissance - Modèle 28

DOUBLE ACTION - 2 VALVES
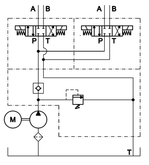
Cette unité de puissance a un circuit double action avec des ports A & B SAE#6 (9/16-18). Incluant une valve modulaire 3 positions / 4 voies (DO2) qui peut être jumelée avec d'autres option modulaires tel qu'un clapet anti-retour piloté, un contrôleur de débit ou même une soupape de pression. Ce circuit utilise une valve anti-retour et une soupape de pression ajustable. La manette de contrôle à deux boutons possède une bande magnétique ainsi qu'un boitier de support. Elle vient avec 6.0 mètre de cable et possède un branchement rapide près du moteur. La pompe à engrenage est équipée d'un grillage de succion attaché à un coude 90° à l'intérieur du réservoir. Celui-ci vient avec un bouchon-évent de 3/4" NPT.


Composantes Disponibles

  • 1
    MOTEUR
    DC 12 & 24v, ou AC 115/230V, simple phase
    AC 230/460/575V triphasé
  • 2
    RÉSERVOIR
    De 1.7 à 23.6 Lts [0.45 à 6.24 Usgal]
    Plastique ou Métal
  • 3
    MONTAGE
    Vertical or Horizontal

  • 4
    POMPE
    0.8, 1.0, 1.3, 1.6, 2.1, 2.5, 3.2, 4.2, 5.8 et 8.0cc


Diagramme Hydraulique



Vue Explosée

ITEM NUMÉRO DE PIÈCE DESCRIPTION QTE
1 300060 Motor Bolts 2
2 600xxx* Motor* 1
3 300010 Solenoid Bolt 2
4 307000 Solenoid Washer 2
5 640xxx* Solenoid* 1
6 210150 Block 1
7 110100 Checkvalve 1
8 111000 Relief Valve 1
9 330100 Tank O-Ring 1
10 400xxx* Pump* 1
11 421000 Pump / Motor Coupler 1
12 310020 Block Elbow 90° 1
13 301xxx* Pump Bolt* 2
14 307050 Lockwasher (Pump Bolt) 2
15 150012 Screen Filter Suction Elbow 1
16 500xxx* Tank* 1
17 300030 Tank Bolt 4
18 307050 Lockwasher (Tank Bolt) 4
19 520030 Breather 1
20 630170 Remote Control 1
21 219050 Block 1
22 219060 Block 1
23 *See Bolt Chart Block Bolts 2
24 330130 Block O-RIng 4
25 121xxx* Solenoid Valve D02* 2
26 300500 Valve Bolts 8
27 330130 Valve O-Ring 8

* les items tel que les moteurs, les pompes, les boulons de pompe, les solenoïdes et les réservoirs peuvent avoir des numéros de pièces différents dépendant des options et modèles choisis.