Unité de Puissance - Modèle 16
PUISSANCE EN MONTÉE/PUISSANCE EN DESCENTE
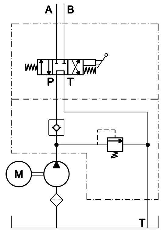
Cette unité de puissance a un circuit double action avec des ports A & B SAE#6 (9/16-18). Incluant une valve manuelle modulaire 3 positions / 4 voies (DO2) qui peut être jumelée avec d'autres option modulaires tel qu'un clapet anti-retour piloté, un contrôleur de débit ou même une soupape de pression. Ce circuit utilise une valve anti-retour et une soupape de pression ajustable. La pompe à engrenage est équipée d'un grillage de succion attaché à un coude 90° à l'intérieur du réservoir. Celui-ci vient avec un bouchon-évent de 3/4" NPT.
Composantes Disponibles
-
1
MOTEUR
DC 12 & 24v, ou AC 115/230V, simple phase
AC 230/460/575V triphasé -
2
RÉSERVOIR
De 1.7 à 23.6 Lts [0.45 à 6.24 Usgal]
Plastique ou Métal
-
3
MONTAGE
Vertical ou Horizontal
-
4
POMPE
0.8, 1.0, 1.3, 1.6, 2.1, 2.5, 3.2, 4.2, 5.8 et 8.0cc
Diagramme Hydraulique
Vue Explosée
| ITEM | NUMÉRO DE PIÈCE | DESCRIPTION | QTE |
|---|---|---|---|
| 1 | 300060 | Motor Bolts | 2 |
| 2 | 600xxx* | Motor* | 1 |
| 3 | 300010 | Solenoid Bolt | 2 |
| 4 | 307000 | Solenoid Washer | 2 |
| 5 | 640xxx* | Solenoid* | 1 |
| 6 | 210140 | Block | 1 |
| 7 | 111000 | Relief Valve | 1 |
| 8 | 110100 | Checkvalve | 1 |
| 9 | 330110 | Valve O-Ring | 4 |
| 10 | 122030 | D02 Manual Valve | 1 |
| 11 | 301900 | D02 Valve Bolt | 4 |
| 12 | 421730 | Pump / Motor Coupler | 1 |
| 13 | 330100 | Tank O-Ring | 1 |
| 14 | 310020 | Block Elbow 90° | 1 |
| 15 | 400xxx* | Pump* | 1 |
| 16 | 301xxx* | Pump Bolt* | 2 |
| 17 | 307080 | Lockwasher (Pump Bolt) | 2 |
| 18 | 150012 | Screen Filter Suction Elbow | 1 |
| 19 | 500xxx* | Tank* | 1 |
| 20 | 300030 | Tank Bolt | 4 |
| 21 | 307050 | Lockwasher (Tank Bolt) | 4 |
| 22 | 520030 | Breather | 1 |
