Unité de Puissance - Modèle 02
PUISSANCE EN MONTÉE,
DESCENTE PAR GRAVITÉ
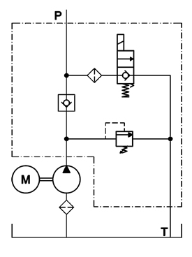
Cette unité de puissance à un circuit simple action avec deux ports SAE #6 (9-16-18) pour un branchement droit avec un boyau ou avec un coude 90°. La valve cartouche 2 positions/2 voies a une option "override" ainsi qu'un clapet interne. Ce circuit utilise une valve anti-retour et une soupape de pression. La manette de contrôle à deux boutons possède une bande magnétique ainsi qu'un boitier de support. Elle vient avec 6.0 mètre de cable et possède un branchement rapide près du moteur. La pompe à engrenage est équipée d'un grillage de succion attaché à un coude 90° à l'intérieur du réservoir. Celui-ci vient avec un bouchon-évent de 3/4" NPT.
Cette unité de puissance à un circuit simple action avec deux ports SAE #6 (9-16-18) pour un branchement droit avec un boyau ou avec un coude 90°. La valve cartouche 2 positions/2 voies a une option "override" ainsi qu'un clapet interne. Ce circuit utilise une valve anti-retour et une soupape de pression. La manette de contrôle à deux boutons possède une bande magnétique ainsi qu'un boitier de support. Elle vient avec 6.0 mètre de cable et possède un branchement rapide près du moteur. La pompe à engrenage est équipée d'un grillage de succion attaché à un coude 90° à l'intérieur du réservoir. Celui-ci vient avec un bouchon-évent de 3/4" NPT.
Composantes Disponibles
-
1
MOTEUR
DC 12 & 24v, ou AC 115/230V, simple phase -
2
RÉSERVOIR
De 1.7 à 23.6 Lts [0.45 à 6.24 Usgal]
Plastique ou Métal
-
3
MONTAGE
Vertical ou Horizontal -
4
POMPE
0.8, 1.0, 1.3, 1.6, 2.1, 2.5, 3.2, 4.2, 5.8 et 8.0cc
Diagramme Hydraulique
Vue Explosée
| ITEM | NUMERO DE PIÈCE | DESCRIPTION | QTE |
|---|---|---|---|
| 1 | 300060 | Motor Bolts | 2 |
| 2 | 600xxx* | Motor* | 1 |
| 3 | 300010 | Solenoid Bolt | 2 |
| 4 | 307000 | Solenoid Washer | 2 |
| 5 | 640xxx* | Solenoid* | 1 |
| 6 | 111000 | Relief Valve | 1 |
| 7 | 210020 | Block | 1 |
| 8 | 115200 | Valve w/ Manual Override | 1 |
| 9 | 641xxx* | Coil* | 1 |
| 10 | 110100 | Checkvalve | 1 |
| 11 | 330100 | Block O-Ring | 1 |
| 12 | 310020 | Block Elbow 90° | 1 |
| 13 | 421000 | Motor/Pump Coupler | 1 |
| 14 | 400xxx* | Pump* | 1 |
| 15 | 307080 | Lockwasher (Pump Bolts) | 2 |
| 16 | 301xxx* | Pump Bolts* | 2 |
| 17 | 150012 | Screen Filter Suction Elbow | 1 |
| 18 | 630140 | Remote Control | 1 |
| 19 | 500xxx* | Tank* | 1 |
| 20 | 300030 | Tank Bolt | 4 |
| 21 | 307050 | Lockwasher (Tank Bolt) | 4 |
| 22 | 520030 | Breather | 1 |



