Unité de Puissance - Modèle 11
PUISSANCE EN MONTÉE/PUISSANCE EN DESCENTE
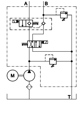
Cette unité de puissance a un circuit double action avec des ports A & B SAE#6 (9/16-18). La cartouche 2 positions / 2 voies a un clapet interne piloté afin de prévenir le contournement interne et maintenir une pression constante. Ce circuit utilise une valve anti-retour et une soupape de pression ajustable sur le port principal et le port interne B. La manette de contrôle à deux boutons possède une bande magnétique ainsi qu'un boitier de support. Elle vient avec 6.0 mètre de cable et possède un branchement rapide près du moteur. La pompe à engrenage est équipée d'un grillage de succion attaché à un coude 90° à l'intérieur du réservoir. Celui-ci vient avec un bouchon-évent de 3/4" NPT.
Composantes Disponibles
-
1
MOTEUR
DC 12 & 24v, ou AC 115/230V, simple phase
AC 230/460/575V triphasé -
2
RÉSERVOIR
De 1.7 à 23.6 Lts [0.45 à 6.24 Usgal]
Plastique ou Métal
-
3
MONTAGE
Vertical ou Horizontal
-
4
POMPE
0.8, 1.0, 1.3, 1.6, 2.1, 2.5, 3.2, 4.2, 5.8 ou 8.0cc
Diagramme Hydraulique
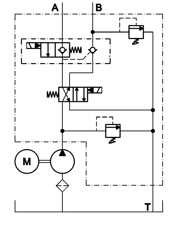
Vue Explosée
| ITEM | NUMÉRO DE PIÈCE | DESCRIPTION | QTE |
|---|---|---|---|
| 1 | 300060 | Motor Bolts | 2 |
| 2 | 600xxx* | Motor* | 1 |
| 3 | 300010 | Solenoid Bolt | 2 |
| 4 | 307000 | Solenoid Washer | 2 |
| 5 | 640xxx* | Solenoid* | 1 |
| 6 | 111000 | Relief Valve | 1 |
| 7 | 210080 | Block | 1 |
| 8 | 115310 | 2 Way / 2 Position Valve | 1 |
| 9 | 115300 | 4 Way / 2 Position Valve | 1 |
| 10 | 641xxx* | Coil* | 2 |
| 11 | 100510 | Relief Valve | 1 |
| 12 | 421730 | Pump / Motor Coupler | 1 |
| 13 | 330100 | Tank O-Ring | 1 |
| 14 | 400xxx* | Pump* | 1 |
| 15 | 301xxx* | Pump Bolt* | 2 |
| 16 | 307080 | Lockwasher (Pump Bolt) | 2 |
| 17 | 150012 | Screen Filter Suction Elbow | 1 |
| 18 | 500xxx* | Tank* | 1 |
| 19 | 300030 | Tank Bolt | 4 |
| 20 | 307050 | Lockwasher (Tank Bolt) | 4 |
| 21 | 520030 | Breather | 1 |
| 22 | 630060 | Remote Control | 1 |
* les items tel que les moteurs, les pompes, les boulons de pompe, les solenoïdes et les réservoirs peuvent avoir des numéros de pièces différents dépendant des options et modèles choisis.
Applications Typiques
Presse

Équipement de Levage
Hayon (avec compensateur de pression et contrôle de débit)
Hayon (avec compensateur de pression et contrôle de débit)

